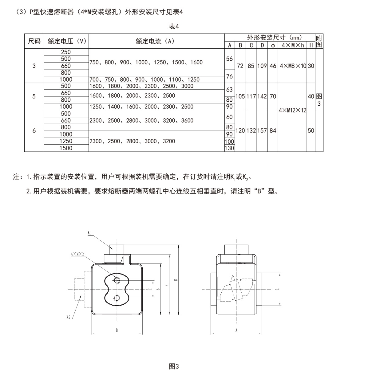
西熔RSG-2系列快熔

RSG系列半导体器件保护用熔断器(以下简称快速熔断器),是继我公司RSF系列熔断器开发成功之后,向技术性能更高,体积减少,额定容量增大新发展的又一系列产品。

该系列快速熔断器适用于交流 50HZ,额定交流电压 250V-3000V,额定直流电压 65V-2400V,额定电流10A-16000A 的电路中,作为整流二极管、晶闸管及其半导体器件组成的成套装置的短路和某些不允许过电流的过载保护。

快速熔断器具有额定容量大、分断能力高、熔断速度快、限流特性显著、安全可靠以及带有撞击器使熔断器熔断后迅速打开微动开关,指示明显可靠等特点。

安装形式:P型-单体平板型,P2型-双体平板型,Z型-中间母线型,AP型-单体大平板型,LCP型-单体一侧大平板型,M型-母线式(单体可根据安装需要,要求触力不弯曲,触刀接线端按要求方向伸出)。


产品名称:西熔RSG-1系列快熔


常用产品型号:

RSG-2 1000V/630A-P    RSG-2 1000V/700A-PK    RSG-2 2000V/200A-PK    RSG-2 250V/500A-Z

RSG-2 500V/630A-Z    RSG-2 500V/400A-ZK    RSG-2 1250V/630A-PK    RSG-2 800V/500A-P(M10)

RSG-2 500V/500A-PC    RSG-2 500V/500A-ZK    RSG-2 500V/300A-MK    RSG-2 500V/350A-PC

RSG-2 800V/630A-ZC    RSG-2 500V/630A-ZK    RSG-2 500V/350A-MK    RSG-2 690V/500A-PK

RSG-2 800V/800A-ZC    RSG-2 500V/700A-ZK    RSG-2 1000V/350A-PK    RSG-2 800V/400A-P

RSG-2 500V/400A-PK    RSG-2 500V/750A-ZK    RSG-2 690V/250A-MK    RSG-2 1000V/500A-P

RSG-2 500V/500A-PK    RSG-2 500V/800A-ZK    RSG-2 800V/560A-ZC    RSG-2 1000V/700A-P

RSG-2 500V/630A-PK    RSG-2 690V/400A-ZK    RSG-2 690V/700A-ZK    RSG-2 800V/800A-P

RSG-2 500V/750A-PK    RSG-2 690V/500A-ZK    RSG-2 1000V/420A-PK    RSG-2 660V/750A-P

RSG-2 500V/800A-PK    RSG-2 800V/400A-ZK    RSG-2 1500V/800A-PK    RSG-2 1250V/400A-ZK

RSG-2 660V/400A-PK    RSG-2 800V/500A-ZK    RSG-2 1000V/550A-PC (Black Base)    RSG-2 690V/630A-ZK

RSG-2 660V/630A-PK    RSG-2 1000V/700A-ZK    RSG-2 800V/710A-PC    RSG-2 1000V/40A-PK (M12)

RSG-2 660V/700A-PK    RSG-2 1000V/600A-PK    RSG-2 500V/300A-MK (H=60)    RSG-2 1000V/315A-PK (M12)

RSG-2 800V/400A-PK    RSG-2 380V/500A-Z    RSG-2 500V/350A-MK(H=60)    RSG-2 690V/630A-PK(H=40)

RSG-2 800V/500A-PK    RSG-2 1500V/400A-PK    RSG-2 500V/500A-MK(H=60)    RSG-2 690V/800A-PK-B

RSG-2 800V/630A-PK    RSG-2 380V/800A-ZK    RSG-2 690V/800A-Z    RSG-2 690V/500A-MK-B

RSG-2 800V/700A-PK    RSG-2 1500V/500A-PK    RSG-2 1000V/600A-P   

RSG-2 1000V/400A-PK    RSG-2 800V/720A-ZC    RSG-2 800V/500A-P (M12)   

RSG-2 1000V/500A-PK    RSG-2 1000V/800A-ZK    RSG-2 800V/600A-P   

RSG-2 1000V/630A-PK    RSG-2 690V/800A-P    RSG-2 800V/315A-PK   


注: *P=单体平板型,P2=双体平板型,Z=中间母线型,AP=单体大平板型,LCP=单体一侧大平板型,M=母线式

基本介绍:

RSG系列半导体器件保护用熔断器(以下简称快速熔断器),是继我公司RSF系列熔断器开发成功之后,向技术性能更高,体积减少,额定容量增大新发展的又一系列产品。

该系列快速熔断器适用于交流 50HZ,额定交流电压 250V-3000V,额定直流电压 65V-2400V,额定电流10A-16000A 的电路中,作为整流二极管、晶闸管及其半导体器件组成的成套装置的短路和某些不允许过电流的过载保护。

快速熔断器具有额定容量大、分断能力高、熔断速度快、限流特性显著、安全可靠以及带有撞击器使熔断器熔断后迅速打开微动开关,指示明显可靠等特点。

安装形式:P型-单体平板型,P2型-双体平板型,Z型-中间母线型,AP型-单体大平板型,LCP型-单体一侧大平板型,M型-母线式(单体可根据安装需要,要求触力不弯曲,触刀接线端按要求方向伸出)。

尺寸: 1号管=48*48mm,2号管=58*58mm,3号管=72*72mm,A3号管=74.5*74.5mm, 4号管=85*85mm,5号管=105*105mm,6号管=120*120mm,7号管=150*150mm


正常工作条件:


1.环境空气温度上限不超过+40℃,下限不低于-5℃。

2.安装地点的海拔高度不超过2000m。

3.安装在无爆炸危险的介质中,无足以腐蚀金属和破坏绝缘的气体及无导电尘埃的地方。

4.在最高温度+40℃时,温度不超过50%,在较低温度下,允许有较高的相对湿度(如在+20℃时为90%),

在这样的条件下,由于温度的变化,可能引起凝露的允许的。

5.该产品可以垂直、水平或倾斜安装,工作场所应无显著振动和冲击。

6.该产品额定电流大于1250A,且长期使用在70%以上额定电流时,必须与水冷母线连接或强迫风冷。

参数11.jpg

参数12.jpg

参数13.jpg

参数14.jpg


CONTACT US

QDCR Electric Co., Ltd (Headquarters)

Headquarters Address: 1102B, Guangfa Financial Building, No. 40 Shandong Road, Shinan District, Qingdao City

Logistics Center: 1-3 Huaqing Industrial Park, No.1 Nanchang Branch Road, North District, Qingdao

Phone:+86-532-80904500 (30 line)

Fax:+86-532-80904511

Email: sales@cr-electric.com

Website: www.cr-electric.com